Elektronik-Wissen

Einleitung

Ich konnte mir auch eine Zeit lang nicht vorstellen was Strom eigentlich ist (weil unsichtbar), eher noch wie Er sich verhält.

Nehmen wir einen Rohr in dem Wasser fließt mit einem bestimmten Gefälle als Vorbild. Die Elektronen sind das Wasser. Das Gefälle entspricht der Spannung der Energiequelle. Je größer das Gefälle desto höher der Wasserdruck (die Spannung) und demzufolge der Wunsch sich auszugleichen durch mehr Wasserfluß (Stromfluß).

Fügt man nun eine Verengung in Form eines Stückchen dünneren  Rohres in das eigentliche Rohr ein staut sich das Wasser oberhalb der Verengung. Genauso stauen sich Elektronen an, nur das Diesen egal ist ob es bergauf oder bergab geht. Aber genau wie beim Rohr kommt nur eine geringere Menge an Elektronen (Wasser) durch diese Verengung. Das ist ein elektrisch gesehen ein Widerstand. Und noch etwas entsteht an diesem Widerstand, eine Spannungsabfall. Beim Wasser in Form eines Druckunterschiedes beim Strom durch einen Elektronenmengen-Unterschied.

2_widerstände

Eine Stromquelle erzeugt oder hat einen Ladungsunterschied zwischen ihrem + und – Pol. Der eine Pol ist quasi angefüllt mit Elektronen (- Pol) die sich mit ihrem + Pol ausgleichen wollen. Eine Batterie z.B. hat einen recht geringen Innenwiderstand. Erzeugt man einen Kurzschluß fließt ein sehr großer Strom, da ihm kein Widerstand entgegengesetzt wird. Der Strom fließt übrigens nicht von Plus zum Minus-Pol sondern in Wirklichkeit umgekehrt.

Ich werfe einfach mal die Formel des Ohmschen-Gesetzes in den Raum.

Aus diesem Dreieck kann man schon die Formeln ablesen.

ohmsches-gesetz1

I=U/R     U=I*R    R=U/I

I steht für die Stromstärke in Ampere. U steht für die Spannung in Volt und R steht für den Widerstand in Ohm (Ω).

Widerstand Reihenschaltung

Widerstände wandeln die an ihnen anfallende elektrische Leistung vollständig in Wärme um. Werden mehrere Widerstände in Reihe geschaltet addiert man deren Ohm-Werte zu Einem zusammen. Jeder zusätzliche Widerstand verringert den Gesamtstrom bzw. erhöht den Gesamtwiderstand.

Widerstand Parallelschaltung

Bei der Parallelschaltung ist es andersherum. Jeder zusätzliche Widerstand verringert den Gesamtwiderstand und erhöht den Gesamtstrom. Und der Gesamtwiderstand einer Parallelschaltung ist immer kleiner als der kleinste Einzelwiderstand. Schaltet man zwei Widerstände mit gleichem Ohm-Wert parallel sagen wir mal 2 x 100 Ohm ist der Gesamtwiderstand der Beiden 50 Ohm. Wohlgemerkt nur wenn beide den gleichen Widerstandswert haben. Ist das nicht der Fall gilt folgende Formel.

R=R1*R2/R1+R2

widerstand-parallelschaltung-2

Schaltet man drei oder beliebig viele Widerstände parallel gibt es dafür eine eigene Formel.

R=1/(1/R1+1/R2+1/R3 ….)

widerstand-parallelschaltung-3plus

Leistung

Leistung gleich Spannung am Objekt mal Stromfluß durch Dieses. Formeln für die Leistungsberechnung in Watt. Der Buchstabe P steht für die Leistung.

P=U*I   bzw.   P=U²/R   bzw.   P=R*I²

Praxis

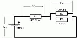
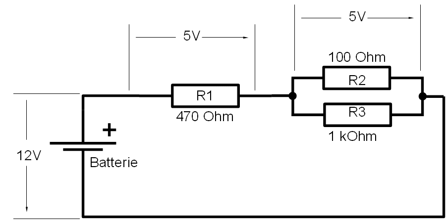
Lange Rede kurzer Sinn ich bringe einfach mal eine Beispielschaltung mit Widerständen.

beispiel_widerstandsberechnung

Zuerst berechne wir mal den Gesamtwiderstand

R = R1 + R2*R3/R2+R3

R = 470 Ω + 100 Ω * 1000 Ω / 100 Ω + 1000 Ω = 560,9 Ω

Der Gesamtwiderstand der Parallelschaltung von R2 + R3 beträgt 90,8 Ohm. Ist also wie oben erwähnt kleiner wie der kleinste Widerstand der Parallelschaltung.

Nun wollen wir noch wissen welche Ströme fließen, welche Spannung an welchem Widerstand abfällt und wie viel Leistung jeder Widerstand verbrät und demzufolge aushalten muß. Man sollte Widerstände dementsprechend einkaufen.

Die Formel um die Spannung am R1 zu berechnen sieht so aus

U1 = I * R1

Leider fehlt uns der Stromwert I also sollten wir mal den Gesamtstrom berechnen, denn der fließt durch R1.

I = U/R

I = 12 V / 560,9 Ω = 0,02139 A

Und da man ungern 0,02139 Ampere sagt verschiebt man das Komma um drei Stellen nach rechts und sagt, der Gesamtstrom beträgt 21,39 mA (Milliampere). Nun wieder zur Spannungsberechnung am R1.

U1 = 21,39 mA * 470 Ω = 10,0533 Volt

Übrigens wenn man bei obiger Rechnung einfach den mA Wert nimmt muß bei Ergebnis das Komma 3 Stellen nach links verschoben werden. Andererseits kann man im Geiste auch bei der Berechnung das mA Komma drei Stellen nach links setzen.  Dann stimmt das Ergebnis in Volt direkt.

Nun noch die Spannung die sowohl am R2 als auch am R3 abfallen weil parallel geschaltet.

U2 = 21,39 mA * 90,9 Ω = 1,94435 V

Die beiden Teilspannungen ergeben wieder die Batteriespannung von 12 Volt.

U = U1 + U2

U = 10,0533 V + 1,94435 V = 11,99765 V ≈ 12 V

Also alle Teilspannungen eines Stromkreises ergeben wieder die Gesamtspannung.

P1 = U1 * I1 = 10,0533 V * 0,02139 A = 0,215 W oder 215 mW

P2 = U2² / R2 = 1,94435 V² / 100 Ω =  0,0378 W oder 37,8 mW

P3 = U3² / R3 = 1,94435 V² / 1000 Ω =   0,00378 W oder 3,78 mW

Etwas mehr Praxis

Nehmen wir doch mal einfach eine Leuchtdiode. Eine Leuchtdiode verträgt etwa 2,2 V Spannung und braucht 20 mA Strom. Hänge ich die LED direkt an z.B eine 12 V Spannungsquelle leuchtet Sie garantiert sehr hell auf, dann macht’s knack und evtl. fliegt das farbige Gehäuse weg (kann ins Auge gehen). LED defekt.

beispiel_led_vorwiderstand1

Was muß man der Schaltung also hinzufügen um die LED ordentlich zu betreiben? Richtig, einen Widerstand in Reihe geschaltet zur LED. Auch genannt Vorwiderstand. Erster Gedankengang was haben wir an festen Parametern, was wissen wir ?

Wir wissen die LED verträgt ca. 20 mA und 2,2 V und haben eine Gesamtspannung von 12 V. Das ist alles. Dann ist es logisch das wenn an der LED 2,2 V anliegen sollen am R1 Widerstand eine Spannung von 9,8 V abfallen muß, da bei einer Reihenschaltung die Summe aller Spannungen der Gesamtspannung entspricht.

R1 = U/I 
R1 = 9,8 V / 20mA = 490 Ω

P1 = U1 * I = 9,8V * 20mA = 0,196 W oder 196 mW

Man nimmt also einen Standard-Widerstand der ¼ Watt (250 mA) aushält mit einem Widerstandswert von 470 Ohm. 470 Ohm ?? Ja, denn einerseits macht der kleine Unterschied kaum etwas aus und zweitens gibt es nicht jeden Widerstandswert zu kaufen. Es gibt nämlich sogenannte Widerstandsreihen mit vorgegebenen Werten.

Nun könnte man auch durch Parallelschalten weiterer Widerstände dem Optimum näher kommen oder gar ein Potentiometer (Poti Einstellbarer-Widerstand) verbauen, das lohnt aber nicht den Aufwand.

Diode

Eine Diode ist ein zweipoliges Bauelement, das den Strom nur in eine Richtung durchläßt. Dazu benötigt die Diode eine Durchbruchs-Spannung von ca. 0,6V die man im durchgeschalteten Zustand von der Gesamtspannung abziehen muß. Mit einer simplen Diode kann man z.B. eine Schaltung vor Zerstörung durch Verpolung der Spannungsquelle schützen.

beispiel_verpolungsschutz_diode

Die Diode hat natürlich den gesamten Maximal-Strom der Schaltung im durchgeschalteten Zustand zu verkraften, da an Ihr aber nur 0,6V abfällt ist aber die verbratene Leistung relativ gering. Bei einem Maximal-Strom von sagen wir 1 A bedeutet das…

P  = U*I

P = 0,6V * 1A  = 0,6 W

Schließt man die Spannungsquelle aus versehen verkehrt herum an, so blockiert die Diode jeglichen Stromfluß. An Ihr fällt die gesamte Spannung ab, es fließt aber kein Strom. Deswegen fällt auch keine Leistung an der Diode an, Sie bleibt kühl. Allerdings halten Dioden nur bis zu einer maximalen Sperrspannung durch, danach gehen sie defekt. Diese Sperrspannung liegt aber sehr hoch.

Spulen

Spulen sind aus Kupferdraht gewickelte Spiralen. Der Kupferdraht ist durch eine Lackschicht isoliert, da die Elektronen durch den Draht fließen und nicht von einer Windung zur nächsten überspringen soll. Spulen sehen zwar aus als wären Ihre Drähte blank, ist aber nicht so, der Draht ist mit einem isolierenden Lack überzogen.

Grundsätzlich sollte man wissen, das Strom der durch einen Kupferdraht fließt ein Magnetfeld um diesen Draht herum erzeugt (1). Wenn ein Kupferdraht von einem weg zeigt und der + Pol bei mir und weiter weg der – Pol ist, nehme ich den Daumen der rechten Hand und zeige in den Draht hinein. Die andern Finger angewinkelt ergibt sich die Drehrichtung des Magnetfeldes um den Draht.

Es gibt eine Regel die ich nie vergessen werde.

(1) wann immer sich die Größe oder Richtung des Stromes durch einen Leiter ändert wird ein Magnetfeld erzeugt.

Das Magnetfeld kann noch durch einen Eisenkern (Ferrit) in der Spule verstärkt werden. Spulen verhalten sich beim Anschalten einer Gleichspannung (Größe des Stromes ändert sich) kurzzeitig wie eine Strombremse da der Aufbau des Magnetfeldes Leistung benötigt was den Stromfluß mindert (gibt eben nichts umsonst).

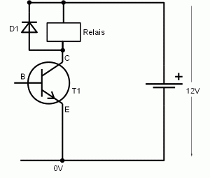
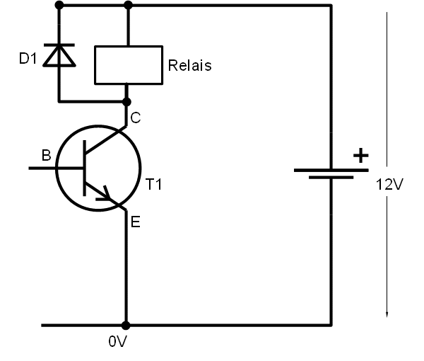
Beim versiegen einer Größen oder Richtungsänderung des Stromes also gleichbleibendem Stromfluß durch die Spule kann das Magnetfeld nicht mehr aufrecht erhalten werden, es bricht sofort wieder zusammen. Das Zusammenbrechen des Magnetfeldes induziert im Leiter der Spule eine Spannung (Energie des Magnetfeld geht nicht verloren), die eine umgekehrte Polung zur vorher angelegten Spannung hat. Dieser induzierte Spannungsimpuls kann für eine kurze Zeit eine deutlich höhere Spannung erzeugen als die vorher angelegte. Deswegen schaltet man z.B. eine Diode gegen polig parallel zu einem Relais welches durch einen Transistor geschaltet wird. Da das Relais eigentlich nur eine Spule mit Eisenkern ist und beim Spannungs-Abschalten einen Spannungsimpuls erzeugen kann, der den Transistor zerstören kann.

transistor_schutzdiode1

Bewegt man einen Festmagnet an einer Spule mit offenen Anschlüssen vorbei (Magnetische Feldlinien schneiden elektrischen Leiter) so wird in der Spule eine Spannung erzeugt (induziert). Bleibt der Magnet still an der Spule stehen wird keine Spannung induziert. Das ist das Prinzip von Strom-Generatoren oder im umgekehrten Sinne Elektromotoren.

Die erzeugte Spannung ist proportional zur Bewegung des Magneten. Umgekehrt erzeugt ein sich verändernder Strom durch eine Spule im Verhältnis ein dadurch erzeugtes Magnetfeld.

Transformator (Trafo)

Ein Transformator basiert auf diesem Spule, Eisenkern, Magnetfeld Effekten.

Ein Trafo sind zwei/mehrere elektrisch (galvanisch) vollkommen getrennte Spulen die über ein Magnetisches Feld gekoppelt sind. Damit die Magnetischen Feldlinien effektiver geleitet werden baut man die Spulen um einen Eisenkern.

trafo

Legt man eine sinusförmige Wechselspannung am Eingang (Spule/Wicklung L1) an erzeugt diese ein sich im Wechsel umpolendes Magnetfeld (rot) in der linken Hälfte des Eisenkerns. Diese Magnetfeld wird durch den Eisenkerns quasi zur rechten Seite durch die Wicklungen L2 und L3 geführt. Und wie ich oben beschrieben habe erzeugt (induziert) ein sich in Größe und/oder Richtung änderndes Magnetfeld in einer Spule eine Spannung. Wie man sieht hat die Spule L2 weniger Wicklungen wie die Eingangsspule L1. Deswegen wird in Ihr auch nur eine geringere Spannung als die Eingangsspannung erzeugt, die Eingangsspannung wird (um)transformiert. In der Spule L3 wird noch eine geringere Spannung wie in der Spule L2 erzeugt da Diese noch weniger Wicklungen hat. Ein Trafo hat oft nur eine Ausgangsspule die aber mehrere Anzapfungen an verschiedenen Wicklungspunkten hat. Dadurch kann man aus einer hohen Eingangsspannung, z.B. einer Steckdose mit 220V Effektivleistung, beliebige kleinere Ausgangsspannungen erzeugen.

Im Umkehrschluß kann man durch mehr Wicklungen an der Ausgangsspule auch höhere Wechselspannungen erzeugen. Bei gleicher Drahtstärke der Wicklungen gilt, das z.B. 100 Wicklungen an der Eingangsseite bei 220V Wechselspannung (AC) bei 50 Wicklungen auf der Ausgangsseite eine Ausgangsspannung von 110V erzeugen, also genau proportional.

Der Eisenkern ist übrigens kein massiver Block, sondern er besteht aus dünnen Eisenplättchen, die gegeneinander isoliert sind. Ansonsten würden in einem einzigen Eisenblock Wirbelströme erzeugt, die der Effektivität des Trafos abträglich wären.

trafo_gleichrichter

Um mal zu zeigen wie man mittels Trafo, einigen Dioden, eines Elkos ect. aus einer großen Wechselspannung z.B. 220V eine saubere Gleichspannung von 5V erzeugt dient obiges Schaltbild.

Als erstes wäre da der Trafo der aus 220V AC (sinusförmige Kurve an L1) eine niedrigere Spannung von sagen wir mal 10V AC an L2 erzeugt (immer noch sinusförmig). Nun kommt der Interessante Teil mit den Dioden. Die 4 Dioden kauft man direkt als sogenannten Gleichrichter in einem vergossenen Gehäuse mit 4 Anschlüssen (gibt’s für verschiedenste Stromstärken).

Kommt eine positive Spannung oben an L2 heraus so gelangt Diese über die Diode D1 fast ohne Verlust (0,6V Spannungsabfall) direkt zum + Ausgang. Es entsteht dort eine positiver Sinusausschlag. Die Diode D4 sperrt, da sie gegen polig ist. Die Diode D3 leitet und die Diode D2 sperrt wieder. Also gelangt der Strom nur durch das Diodenpärchen D1 + D3 bei einem positiven Sinuswelle.

Beim Null-Durchlauf kommt auch am Ende Null Volt heraus (keine Spannung = hinter liegende Schaltung tot = nicht gut). Nun kommt die negative Sinuswelle. Nun leiten die Dioden D2 + D3, die anderen Beiden sperren. Es entsteht wieder eine Positive Sinuswelle. Es werden also alle vorher negativen Sinuswellen quasi hochgeklappt. Dadurch entsteht hinter dem Gleichrichter eine sogenannte Pulsierende-Gleichspannung. Um nun die Täler (0V = schlecht = Schaltung tot) der Pulsierenden Gleichspannung auch mit Spannung zu füllen verwendet man einen Kondensator, ein Elektrolytkondensator um genau zu sein. Elkos sind Kondensatoren, die mit einer Flüssigkeit dem Elektrolyt gefüllt sind. Deswegen haben Elkos eine deutlich größere Kapazität, können also mehr Elektronen aufnehmen, wie normale Kondensatoren. Und da es hier um eine Stromversorgung einer Schaltung geht braucht man Elkos, die den Strom liefern, wenn der Trafo nur ein Wellental hinterläßt. Der Kondensator lädt sich während der positiven Sinuswelle komplett auf und während eines Wellentals hält er so lange Er kann die Spannung/Stromfluß (entläd sich) aufrecht. Ob Er das bringt hängt vom Strombedarf der Last (nachfolgenden Schaltung) und von Seiner Kapazität ab. Aber Er muß die Spannung/den Stromfluß ja nicht sehr lange aufrecht halten denn die nächste Sinuswelle naht schon).

elko_spannungsglättung

Warum keinen Akku anstatt eines Kondensators. Weil Akkus sehr träge sind (Akkus wollen (noch) langsam geladen werden). Kondensatoren nehmen Ladung sofort auf und geben sie bei Bedarf blitzschnell wieder ab und verschleißen nicht (Akkus schon).

Kondensator

Ein Kondensator besteht aus zwei Metallfolien (Flächen), die sehr dicht aneinander liegen, sich jedoch elektrisch nicht berühren (galvanisch getrennt). Zwischen Ihnen befindet sich ein hauchdünner Isolator. Schaltet man eine Batterie direkt an einen Kondensator fließt für eine kurze Zeit ein (theoretisch) unendlich hoher Strom, man könnte sagen der Kondensator bildet einen Kurzschluß, obwohl über ihn selbst durch den Isolator überhaupt kein Strom fließen kann.

Durch die großen leitfähigen Flächen, die in der Regel aufgerollt/gefaltet werden um mehr Fläche auf kleinem Raum zu bekommen, kann die eine Fläche des Kondensators Elektronen solange aufnehmen bis Diese gefüllt ist. Daher der unendlich hohe Strom beim anschalten einer Batterie und überhaupt eben ein Stromfluß. Der Stromfluß entsteht nämlich durch das Laden der Platten des Kondensators, nicht durch das Fließen des Stroms durch den Kondensator.

Nimmt man die Batterie weg vom Kondensator, so behält dieser die Ladung noch lange bei. Faßt man einen sehr kapazitiven Kondensator, der an einer hohen Spannung geladen wurde, an beide Kontakte kann man gefährlich einen gewischt bekommen.

Schließt man nun die beiden Kondensator Kontakte (Flächen) kurz, so fließt für einen Moment wieder ein (unendlich) hoher Strom (Kurzschluß quasi keinen Widerstand), dann gibt es meist einen Funken und der Kondensator ist direkt leer/entladen. Ein Kondensator ist ein schneller Stromspeicher. Durch einen Vorwiderstand kann man den Kondensator dazu bringen langsamer geladen/entladen zu werden.

Übrigens wird die Kapazität eines Kondensators in Farad angegeben. Bei einem Elko meist in µFarad (µF), gefolgt von der Maximalspannung die der Elko verträgt. Wird diese maximale Spannung überschritten durchbricht der Strom evtl. den Isolator zwischen den Ladeflächen und der Kondensator ist defekt. In der Regel nimmt man einen Kondensator mit deutlich höherer Spannung(sfestigkeit) als die Schaltung es benötigt.

So macht der Elko aus einer Pulsierenden-Gleichspannung eine fast perfekte Gleichspannung, denn eine leichte Welligkeit bleibt dennoch zurück. Diese beseitigt wiederum ein Spannungswandler, der mit seiner integrierten Elektronik eine absolut saubere Gleichspannung erzeugt Die in der Regel um einige Volt tiefer sein sollte als seine Eingangsspannung.

Transistor

Der Transistor ist ein durch Spannung gesteuertes Elektronisches-Ventil, oft auch als Elektronischer-Schalter betitelt. Dabei kann ein Transistor nicht nur schalten sondern beliebige Verläufe eines Eingangssignal verstärken. Dabei wird bei einem Verstärker mit einem Transistor das Eingangssignal um 180° gedreht, also invertiert.

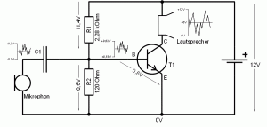
beispiel_mikrophonverstaerker

Der Transistor T1 hat drei Anschlüsse, Basis (links), Collector (oben) und Emitter (unten). Mit einer Basisspannung gegen Masse (0V) von ca. 0,6V wird der steuerbare Widerstand zwischen Collector und Emitter so (halb) durchgeschaltet, das am Collector ca. 6V anliegen (Hälfte der Betriebsspannung). Diese 0,6V Basisspannung erzeugen wir durch einen Spannungsteiler (zwei Widerstände in Reihenschaltung). Allerdings nimmt man dafür in der Regel ein Potentiometer, einen einstellbaren Widerstand, da man mit Festwert Widerständen (genormte Widerstandswerte) die Basisspannung nicht genau justiert bekommt.

Das Eingangssignal erzeugt ein Mikrophon, das Umweltgeräusche in eine Wechselspannung mit +/- 0,2V umwandelt. Das vom Mikrophon gelieferte Signal ist sehr schwach und muß verstärkt werden. Der Kondensator C1 ist enorm wichtig, da er eine galvanische Trennung der restlichen Schaltung vom Mikro bewirkt. Dadurch das die beiden Ladungsflächen des Kondensators so dicht beieinander liegen wirkt zwischen Ihnen ein Feldeffekt. Will heißen eine Ansammlung von Elektronen auf der einen Platte bewirkt über den Feldeffekt eine Reduzierung Derselben auf der anderen Platte. Man kann auch sagen steigt die Spannung auf der einen Platte um +0,5V dann steigt auch die Spannung auf der anderen Platte um eben diese 0,5V. Die beiden Platten wollen sich immer folgen. Der (Wechsel)Spannungs Hub gelangt quasi ohne direkten physikalischen Kontakt “durch” den Kondensator obwohl kein Strom durch Diesen fließen kann.

Also folgt die rechte Seite des Kondensators den Spannungshüben der linken Seite, mit einer Ausnahme. Liegen auf der Linken Seite des Kondensators z.B. +0,2V an sind es auf der Rechten Seite +0,62V, weil der Spannungsteiler die 0,6V schon fest eingestellt hat. Und es fließen quasi keine Ströme Richtung Mikro, Dieses erzeugt eine Spannung proportional der Umweltgeräusche die über den Kondensator auf die 0,6V “aufgesattelt” wird. Negative Spannungen vom Mikro werden von den 0,6V subtrahiert. Vereinfacht gesagt werden die vom Mikrofon erzeugten Signale auf der rechten Seite des Kondensators auf einen mittleren Wert von 0,6V angehoben.

Transistoren brauchen nur sehr geringe Steuerströme an der Basis und auch nur geringe Spannungsschwankungen zur Steuerung des Widerstands zwischen Collector und Emitter. So wird der Widerstand unendlich groß wenn die Spannung zwischen Basis und Emitter unter ca. +0,55V sinkt, steigt Sie dagegen auf +0,65V schaltet der Transistor voll durch (kaum Widerstand). Somit dient der Transistor dazu aus einer kleinen Steuerspannung einen deutlich größeren Laststrom zu regeln.

Die Schaltung oben hat noch einen Nachteil. Ein Transistor erwärmt sich im Leistungsbetrieb und dadurch wird er etwas leitender zwischen Collektor und Emitter, ohne das sich die Steuerspannung verändern müßte. Das heißt das Eingangssignal wird je nach Temperatur des Transistors leicht verfälscht.

Dafür gibt es eine simple Lösung. Man fügt in die Reihenschaltung Lautsprecher, Transistor C-E, Masse noch einen niederohmigen leistungsfähigen (Watt) Widerstand zwischen Emitter und Masse ein. Damit bilden plötzlich B-E und dieser Widerstand wiederum eine Reihenschaltung.

beispiel_mikrophonverstaerker_gegenkopplung

Angenommen der Lautsprecher hätte einen Widerstand von 9 Ohm und der Gegenkopplungs-Widerstand (Stromgegenkopplung) wäre 1 Ohm groß. Nun kommt eine Steuerspannung von +0,5V, ergibt 0,65V zwischen Basis und Emitter. Damit schaltet der Transistor voll durch, es fließt ein Collektor-Emitter Strom von 1,3A. Deswegen muß der Gegenkopplungswiderstand auch so leistungsfähig sein, der gesamte Strom fließt auch durch Ihn. Damit verbrät er

P=R*I² 

P = 1 Ohm * 1,3A = 1,3 Watt

Und durch diesen hohen Strom erwärmt sich der Transistor wodurch Er leitender wird und noch mehr Strom fließt, der Transistor schaukelt sich auf und könnte zerstört werden. Nun fließt der durch die Erwärmung erhöhte Strom aber auch durch den Gegenkopplungswiderstand. Davon ausgegangen das die Gesamt-Spannung der Reihenschaltung B-E und Gegenkopplungswiderstand in diesem Moment konstant ist und der Spannungsabfall am Gegenkopplungs-Widerstand sich erhöht (Erwärmung Transistor = mehr Stromfluß) muß zwangsläufig die B-E Spannung im gleichen Maße fallen wie die Gegenkopplungs-Widerstands Spannung steigt (Reihenschaltung : Summe der Einzelspannungen = Gesamtspannung).

Einfach gesagt. Fließt durch die Transistor Erwärmung mehr Strom, zwingt der dadurch erhöhte Spannungsabfall am Gegenkopplungs-Widerstand die B-E Spannung zu sinken was zur Folge hat das der Transistor hochohmiger wird, wodurch sich der C-E Strom in dem Maße verringert wie er sich durch die Erwärmung erhöht hat. Heißt der Transistor reagiert nur noch wie gewünscht auf das Eingangssignal und der Gegenkopplungs-Widerstand eliminiert Temperaturschwankungen des Transistors.

Thyristor

Der Thyristor ist ein reiner Elektronischer-Schalter ….

 

 

 

 

 

 

 

 

 

 

 

 

 

 

 

 

 

 

 

 

 

 

 

 

 

 

 

 

 

 

Schreibe einen Kommentar

Homecomputer Elektronik PC Synthesizer Windows Linux